Imprimer

Schéma électrique (/)

Référence
Type
Produit(s)
/SP (pièce détachée)
S01 - Lumiz100
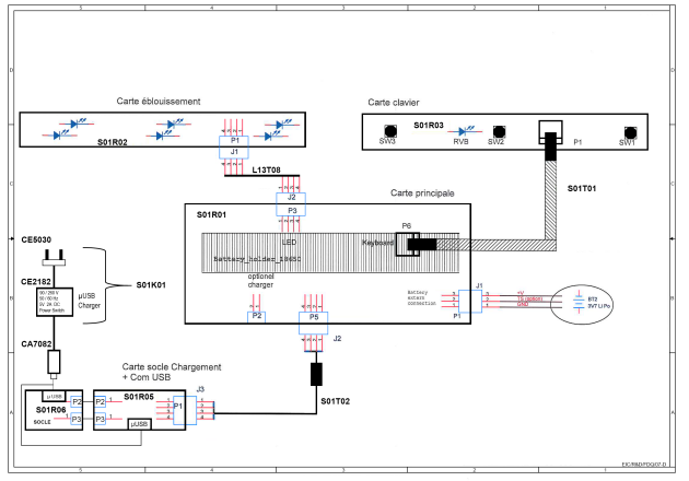
Lumiz 100 - Schéma électrique